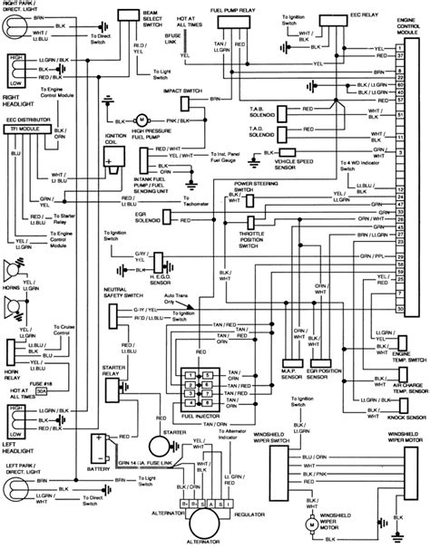
2004 Ford F150 Wiring Schematic

2004 Ford F150 Wiring Schematic. Web 2008 ford f150 fuse diagram ricks free auto repair advice automotive tips and how to. I am looking primarily for the wiring diagram of the 4x4 system on a 2007 f150 4x4.

Factory Radio wiring diagram for 2004 ford f150
Factory Radio wiring diagram for 2004 ford f150 from www.justanswer.com

Then vs now what s in a wiring diagram mitc 1 connection. Web april 17, 2020. It reflects the layout of the electrical.

Web Does Any One Have Access To Wiring Diagrams For The F150.


It's no surprise, then, that a lot of people. Fuel injection, ignition, powertrain control module, and emission system. Web 97 f150 pcm fuse wiring diagram ford forum community of truck fans.

Web 2004 Ford Pickup F150.


Web 2004 2008 f150 wiring schematic ford truck enthusiasts forums. The 2004 ford f150 pcm schematic is an essential tool for anyone who is looking to repair or modify their beloved pickup truck. 1997 2004 ford f150 fuse box diagram.

Web The Diagram Is Divided Into Four Sections:


Ford ranger 4wd v6 4 0l. It reflects the layout of the electrical. 4.6l, engine performance circuit (1 of 6) miƩrcoles, 07 de julio de 2021 11:39:31 a.m.

Web February 15, 2023 By Miss Clara The 2004 Ford F150 Is One Of The Most Reliable And Popular Vehicles In The Ford Lineup.


2004 2008 f150 wiring schematic ford truck enthusiasts forums. Web 2022 test for 2003 ford f150 data bus communication network protocol in diagnosing no issues using the dlc diagram. 97 f150 pcm fuse wiring diagram ford.

2004 Ford F150 Wiring Diagram Download Pics.


Web 2008 ford f150 fuse diagram ricks free auto repair advice automotive tips and how to. Web the 2004 f150 5 4 starter wiring diagram follows a logical layout, which makes it easy to comprehend even complex wiring diagrams. Each of these sections contains its own set of.