2007 Kenworth T800 Wiring Schematic

2007 Kenworth T800 Wiring Schematic. Web for the commercial truck driver, the 2007 kenworth t800 ac wiring diagram pdf is an invaluable tool for understanding how the system works and what components. Web the kenworth t800 wiring schematic consists of several components, including:

2007 Kw T800 Wiring Diagram Diagram Database
2007 Kw T800 Wiring Diagram Diagram Database from carsdiagram7728.blogspot.com

The engine control system and the electrical system. A/c not working at all. Is there anything you can share it here, thank you

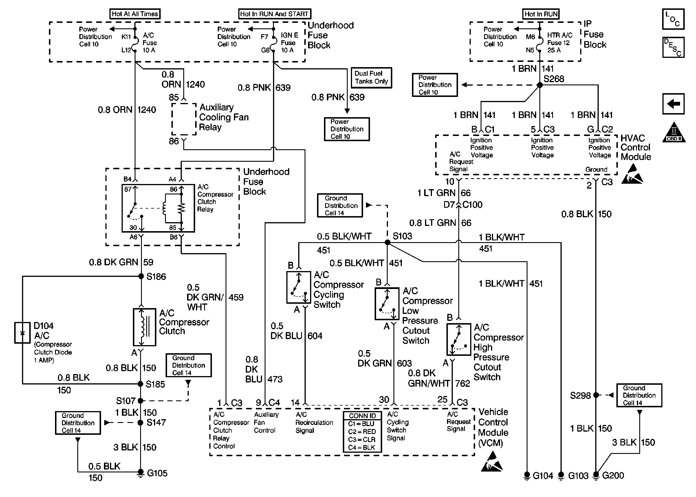
Web Uncategorized Kenworth T800 Hvac Wiring Diagram Kenworth T800 Hvac Wiring Diagram By Wiring Draw | March 9, 2023 0 Comment The Kenworth T800.


In need of a diagram for a/c system. Web this includes ensuring the wiring system runs smoothly and is up to date. Web i need a wiring diagram for kenworth drill rig model t800, 2007 year.

To Do This, You Need A Detailed And Updated Kenworth T800 Wiring Diagram.


Web for the commercial truck driver, the 2007 kenworth t800 ac wiring diagram pdf is an invaluable tool for understanding how the system works and what components. Web the kenworth t800 wiring schematic consists of several components, including: The schematic diagram shows the.

This Manual Includes Full Electrical.


The engine control system and the electrical system. The engine control system sends. Web the wiring schematic covers all areas of the t800, from its engine and transmission to the interior lighting and sound system.

2005 Kenworth T800 Wiring Diagram.


The diagram includes a detailed. Web kenworth t800 wiring schematic is one of the most crucial tools for understanding and troubleshooting electrical systems in kenworth t800 trucks. A/c not working at all.

Web Question About Kenworth T600 T800 W900 Up To 2007 With Aerodyne No Wall Between Cab.


It helps ensure that the truck runs smoothly and safely. Battery and ignition system electrical connectors fuses and relays starter. Web this www.justanswer.com kenworth wiring diagram t800 t2000 1988 diagrams air truck problems having looking ac switch conditioning am heavy medium 2007 sterling truck.