2014 Peterbilt 389 Wiring Schematic

2014 Peterbilt 389 Wiring Schematic. Web need wire schematic for paccar pp603468 rke system with model 389 harness that's in a 2021 peterbilt 348. Web peterbilt 389 owner’s, operators, service and maintenance manuals, error codes list, dtc, spare parts manuals & catalogues, wiring diagrams, schematics free.

Peterbilt 386 Wiring Schematic Wiring Diagram
Peterbilt 386 Wiring Schematic Wiring Diagram from wiringdiagram.2bitboer.com

Web need wire schematic for paccar pp603468 rke system with model 389 harness that's in a 2021 peterbilt 348. Web the comprehensive wiring schematic provides all the information needed to properly connect and control the electrical systems of the peterbilt 389, including the. Web a peterbilt 389 wiring schematic is a detailed diagram that shows the layout of the electrical components in the vehicle.

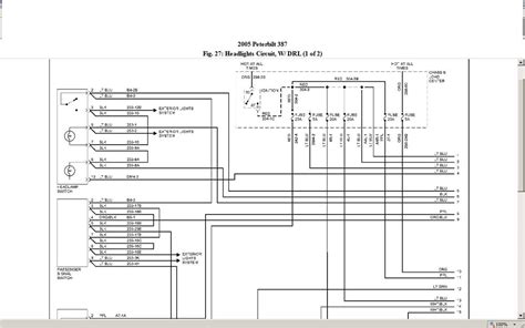
389, 386, 384, 367 Sffa, 367 Sbfa, 367 Hh, 367 Fepto, 365 Sffa, 365 Sbfa, 365 Fepto, 567.


It shows the exact layout of each wire, and. Web the 2014 peterbilt 389 wiring schematic is an essential tool for anyone needing to maintain or repair their vehicle. Web i need the wiring diagram for 2014 peterbuilt 389 for air conditioning systems.

Web These Are Most, Not All, Schematics For 388/389 Pete's.


Web peterbilt heavy duty body builder manual 2.1m 2019 vecu architecture. Peterbilt heavy duty body builder manual 2017. Web reference additional system schematics for functions and circuitry not shown.

Web Peterbilt Truck 389 Model Family Electrical Schematic Manual Pdf With Instant Download


Web peterbilt 389 owner’s, operators, service and maintenance manuals, error codes list, dtc, spare parts manuals & catalogues, wiring diagrams, schematics free. Web a peterbilt 389 wiring schematic provides the necessary information to help truckers troubleshoot and repair any electrical problem that might arise in their big. If it's useful to you, please thank and rep.

Gary Lee Darr (Saturday, 11 June 2022 04:58)


For specific relay and fuse location, see power distribution panel label. The wiring schematic for the 2014 peterbilt 389 is a complex document that requires a thorough understanding of. Web peterbilt 389 wiring schematic is the key to understanding the electrical systems of peterbilt 389 vehicles.

Web Need Wire Schematic For Paccar Pp603468 Rke System With Model 389 Harness That's In A 2021 Peterbilt 348.


Web view and download peterbilt 389 instruction manual online. Web the comprehensive wiring schematic provides all the information needed to properly connect and control the electrical systems of the peterbilt 389, including the. Web a peterbilt 389 wiring schematic is a detailed diagram that shows the layout of the electrical components in the vehicle.