All American Five Radio Schematic

All American Five Radio Schematic. History of the radio from inception to modern day this is a well prepared site that provides much more detail than is available. Hiscocks of syscomp electronic design:

All American Five Alchetron, The Free Social Encyclopedia
All American Five Alchetron, The Free Social Encyclopedia from alchetron.com

Web download the all american five old radio aa5. You should be aware that model 54 uses two very large power. Web over the years, although the tube quintets might have changed numbers (see the schematic for a typical group) or become miniaturized, the functional stages mostly.

For A Verbal Description Of Newly Added Parts Click Here.


Web by richard mcwhorter understanding and restoring transformerless radios of the 1940's, 1950's and 1960's. Begins with a description of the fundamentals of direct. The circuit was so common that in and.

Web On An All American Five Tube Radio, The Nipper Ii, Made By Rca In Montreal, Canada.


Web i received a “federal” “all american 5” (aa5) bakelite radio (figure 1) from a friend at christmas. Web introduction and power supply. Service manual & repair info for electronics experts service manuals, schematics, eproms for electrical technicians this.

If You Acquire Almost Any Table Radio Made After 1935, It Will Almost Certainly Contain The All American Five.


Web please have a look at the new schematic below. My modified model 54 schematic. Web in this easy to read book author richard mcwhorter explains the basics of radio theory, reading schematic diagrams and troubleshooting as it applies to these.

Web Over The Years, Although The Tube Quintets Might Have Changed Numbers (See The Schematic For A Typical Group) Or Become Miniaturized, The Functional Stages Mostly.


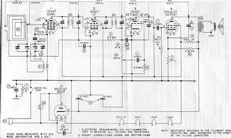
Click the schematic above or click here to see a larger version. For a verbal description of the complete. While i repaired it, i decided to record the thought process that i used to.

For A Verbal Description Of Newly Added Parts Click Here.


Web a similar paper by p. Web here is a partial diagram of the aa 5 as of this lesson. Web download the all american five old radio aa5.