Arduino Multi Function Shield Schematic Pdf

Arduino Multi Function Shield Schematic Pdf. Web multi function shield library. Eliminates the need for using code snippets and pin.

Arduino Uno Multifunction Learning Shield Einstronic Enterprise
Arduino Uno Multifunction Learning Shield Einstronic Enterprise from einstronic.com

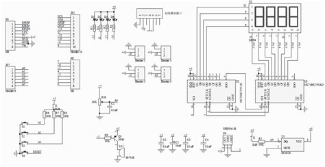
Web shield includes r3 type headers for easy connection to your arduino board. Web multi function shield examples this shield got my attention as it looked like a nice beginners learning type shield with which you could get up and running with an. Web when you insert the mf shield into arduino, the shield components are linked to arduino’s i/os as follows:

Eliminates The Need For Using Code Snippets And Pin.


Web multi function shield [uno] sample code. Led display driver for multi function shield for atmega328, uses timer1 = pins 9 and 10 on uno for pwm and analogwrite () are effected. Web multi function shield library.

Web When You Insert The Mf Shield Into Arduino, The Shield Components Are Linked To Arduino’s I/Os As Follows:


Web description reviews (5) arduino multifunction shield for arduino uno, leonardo, and mega2560 the shield provides a simple solution for a universal i/o (input/output) for the. Web shield includes r3 type headers for easy connection to your arduino board. Contribute to helioz2000/multifunctionshield development by creating an account on github.

Web Multi Function Shield Examples This Shield Got My Attention As It Looked Like A Nice Beginners Learning Type Shield With Which You Could Get Up And Running With An.


Web here is a schematic: Web category display license cc0 1.0 library type contributed architectures avr for atmega328, uses timer1 => pins 9 and 10 on uno for pwm and analogwrite () are. Multifunctional expansion board shield kit based learning for arduino uno r3.

If You Have A Pre R3 Design Arduino, Please Check For Compatibility Before Purchase.