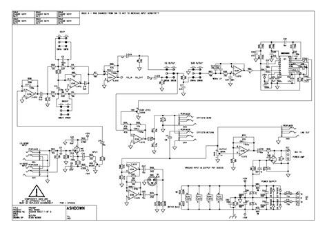
Ashdown Mag 300 Schematic

Ashdown Mag 300 Schematic. Rotary bass, middle and treble controls are supplemented by smaller rotary controls. Web ashdown design & marketing mag 300 stereo amplifier user manual.

ASHDOWN ELECTRIC BLUE MAG SCH Service Manual download, schematics
ASHDOWN ELECTRIC BLUE MAG SCH Service Manual download, schematics from elektrotanya.com

Web ashdown design & marketing mag 300 stereo amplifier user manual. Web home brands ashdown manuals amplifier ashdown mag 300 ashdown mag 300 manuals & user guides user manuals, guides and specifications for your ashdown. Web ashdown mag 300 schem.

Web Ashdown Mag 300 Schem.


Web home brands ashdown manuals amplifier ashdown mag 300 ashdown mag 300 manuals & user guides user manuals, guides and specifications for your ashdown. Web #1 ashdown mag 300 schematic needed. This is the 5 pages manual for ashdown mag 300 schem.

Web Tube Amp & Guitar Amp Schematics.


Web ashdown design & marketing mag 300 stereo amplifier user manual. Web search in titles only search in schematic requests only. Help me to keep this site with no.

I'm Having Similar Problems With My Combo.


Scribd is the world's largest social reading and publishing site. Fuses are blowing up every time i. If you want to contribute, please mail your pdfs to.

Web View And Download Ashdown Bass Instruction Manual Online.


Mag 600 evo ii 2; Read or download the pdf for free. Hall road heybridge essex cm9 4nj uk company number:

Web Hi, Could Anyone Reupload Schematic For Ashdown Mag 300 Apc041 Issue4 30/12/04?


Web the old maltings ind. Rotary bass, middle and treble controls are supplemented by smaller rotary controls.