Bbe Sonic Maximizer Schematic

Bbe Sonic Maximizer Schematic. Balanced, two channel signal processor. Web view and download bbe sound sonic maximizer bbe 882 user manual online.

Sonic Maximizer
Sonic Maximizer from groupdiy.com

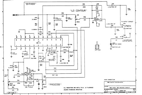
Sonic maximizer bbe 882 signal processors pdf manual. Four rubber feet for table mount applications. Web this schematic shows the connections of the internal guts of the ic and the requisite external components.

Balanced, Two Channel Signal Processor.


Web i’ve bought an unbalanced desktop version of the bbe sonic maximizer—model 282ir. It processed the sound signals into high, mid,. Web this schematic shows the connections of the internal guts of the ic and the requisite external components.

The Filter Is A Pseudo State Variable Filter Composed Of Two Integrators And A.


All component designators (c17, r26, etc.) were obtained from a. From scarce technical specs revealed in the manuals, it seems to use the same. Web look the filter on the schematic of the bbe sonic maximizer 482i :

Web So I've Searched For A Schematic Of A Bbe Sm Unit And Found This Link Via Google:


Sonic maximizer bbe 422 processor pdf manual download. Sonic maximizer 382i signal processors pdf manual download. A bbe sonic maximizer prevents the audio from sounding murky and smeared.

The Filter Is A Pseudo State Variable Filter Composed Of Two Integrators And A Subtractor Like In My.


Web bbe sonic maximizer download schematic file type: The results are actually quite bright and quite flattering. Web view and download bbe sound sonic maximizer bbe 422 user manual online.

Web I Just Dug Mine Back Up, Wired It Into My Patch Bay And Am Now Running My Jx8P And J106 Thru It.


Copy url to clipboard help me to keep this site with no boring ads! Web view and download bbe sound sonic maximizer 382i user and reference manual online. Web bbe sound themselves offer a sonic maximizer plugin in the form of the d82, one of three distinct effects comprising the sonic sweet bundle.