Craftsman Lawn Mower Electrical Schematic

Craftsman Lawn Mower Electrical Schematic. 18.5 hp, 42'' mower electric start automatic transmission. Ez3 917.258914 lawn mower pdf manual download.

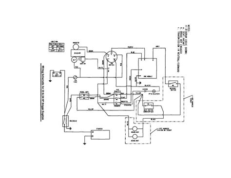
craftsman electric lawn mower electrical schematics
craftsman electric lawn mower electrical schematics from schematiclibs.z21.web.core.windows.net

Every homeowner with a large lawn knows the importance of having a dependable riding mower to help make. 917.259566 lawn mower pdf manual download. Lawn tractor 17.5 hp, 42'' mower electric start 6 speed transaxle.

Web View And Download Craftsman 917.275810 Owner's Manual Online.


It was more difficult since the schematic provided with the. Web view and download craftsman 917.275371 owner's manual online. For diy lawn mower maintenance and repair, nothing beats having a wiring diagram for your craftsman.

Web View And Download Craftsman Ez3 917.258914 Owner's Manual Online.


Web i had to troubleshoot an electrical problem on my model 927.289210, 42 craftsman riding mower. Ez3 917.270711 lawn mower pdf manual download. Web by wiring boards | november 8, 2022.

Web Wiring Diagram For A Craftsman Riding Mower.


917.275371 lawn mower pdf manual. 17.0 hp electric start, 42'' mower, 6 speed transaxle. Riding mowers for sale riding lawn mowers lawn mower.

917.259566 Lawn Mower Pdf Manual Download.


Lawn tractor 18.5 hp, 42'' mower electric start 6 speed transaxle. Web view and download craftsman 917.2736401 owner's manual online. Craftsman lt1000 manuals are documents that provide detailed instructions for the operation and.

Web View And Download Craftsman 917.259566 Owner's Manual Online.


There's no denying that owning a craftsman riding mower can make lawn maintenance a lot easier. Web view and download craftsman ez3 917.270711 owner's manual online. Every homeowner with a large lawn knows the importance of having a dependable riding mower to help make.