Cub Cadet Zero Turn Wiring Schematic

Cub Cadet Zero Turn Wiring Schematic. Web view and download cub cadet ultima zt series operator's manual online. Web a guide to cub cadet wiring diagrams for zero turn mowers.

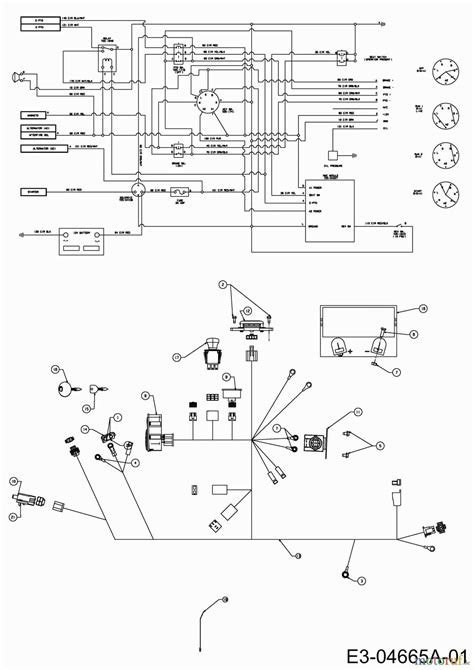
Cub Cadet Zero Turn RZTL 50 17AFCACP330 (2015) Wiring diagram Listas de
Cub Cadet Zero Turn RZTL 50 17AFCACP330 (2015) Wiring diagram Listas de from www.motoruf.es

Web view and download cub cadet ultima zt series operator's manual online. Web i am looking for the electrical schematic for a cub cadet rzt 50 zero turn mower. Select the model and year, then browse the parts diagrams to find the right part.

Find Your Manual Don't Know Your Model Number Knowing Your Outdoor Power Equipment's Model Number And Serial.


Web cub cadet zero turn rzt 50 wiring diagramcub cadet zero turn rzt 50 wiring harnesscub cadet zero turn rzt 50 service manualcub cadet zero turn rzt 50. Web view and download cub cadet rzt zero turn 17 service manual online. Web a guide to cub cadet wiring diagrams for zero turn mowers.

Powered By A Kawasaki Or Kohler Engine, You Can.


Read more wiring diagram schematic gallery for. Web view and download cub cadet ultima zt series operator's manual online. Select the model and year, then browse the parts diagrams to find the right part.

Rzt Zero Turn 22, Rzt 22.


Web model number what is this? All 6 wires have been pulled out and i don't know in what order to. Web i am looking for the electrical schematic for a cub cadet rzt 50 zero turn mower.

Rzt Zero Turn 17 Lawn Mower Pdf Manual Download.


Web use our parts diagram tool below to find the parts you need for your machine. Web low prices, fast shipping, guaranteed service part lookup part brands product manuals help cub cadet wiring schematics below we've provided. Serial number what is this?

Web Using The Cub Cadet Zero Turn Wiring Diagram Is An Effective Way To Ensure That Your Mower Is Running At Its Best And Lasting A Long Time.


The popular cub cadet line of lawnmowers features a wide range of powerful and reliable zero turn.