Cw Audio Filter Schematic

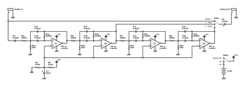
Cw Audio Filter Schematic. Web here is the schematic for a 20khz low pass filter: You can always turn it into an active cw filter if used with a simple lm386 audio amplifier.

CW Audio Filter Rob's Blog
CW Audio Filter Rob's Blog from robs-blog.net

So, this section is about narrow, audio level, active filters. A udio filtering is a. There is no if so you cannot use narrow.

And This Project Will Almost Build Itself.


Web but some extra filtering in the audio stages would definitely help. There is no if so you cannot use narrow. Low pass filter the gain is set by resistors r3 and r4.

You Can Always Turn It Into An Active Cw Filter If Used With A Simple Lm386 Audio Amplifier.


Web cw audio filter. With r3 at 27k and r4 at 47k, the gain (a) is: These kind of filters are easy to construct, relatively.

That's Where The Ramsey Af1 Filter Comes In To Help.


Web a peak audio filter centered around 750 hz is commonly added to many home built receivers and transceivers. Web in the 1970s i made a cw “filter” based on a phase locked loop that detected a specific audio frequency, and this drove an ne555 oscillator: Web build a simple passive cw audio filter with only four components.

So, This Section Is About Narrow, Audio Level, Active Filters.


Web the circuit is (litterally) textbook, inspired from the arrl extra class study manual's (volume 8) pages on active filters and is anactive rc driven filter using op amps. Web the easiest solutions is to filter the received audio to only allow a single cw tone to be heard. My universal receiver only had a low pass audio filter, so i.

Web Here Is The Schematic For A 20Khz Low Pass Filter:


A udio filtering is a. Web for newer receivers (and external audio dsp boxes) with configurable narrow audio filters for cw, what is the usual default or factory configured center. When it comes to direct conversion receivers, to get good selectivity you need to use good audio filters.