Darkglass Alpha Omega Schematic

Darkglass Alpha Omega Schematic. Web the alpha·omega φoton supports impulse response (ir) cabinet simulations and has 5 cabinet slots on board. Web the alpha·omega photon will always return to the last active preset.

Darkglass Alpha Omega Ultra Pédale Effet Overdrive
Darkglass Alpha Omega Ultra Pédale Effet Overdrive from www.effect-on-line.com

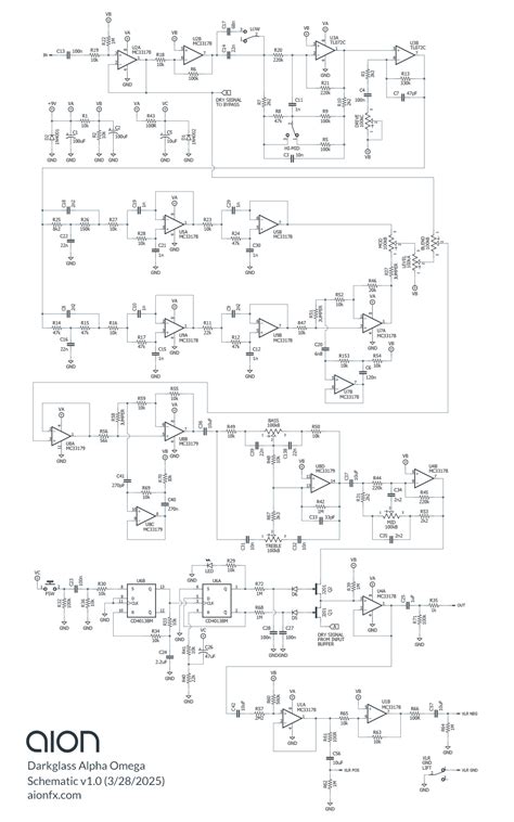
Web mod:selects or mixes between the two distinct distortion circuits: Alpha is punchy, tight with a lot of definition, whereas omega is simply brutal and raw. The alpha·omega photon features a five.

Alpha Is Punchy, Tight With A Lot Of Definition, Whereas Omega Is Simply Brutal And Raw.


Web the alpha·omega photon will always return to the last active preset. On the darkglass suite you. Web the beginning and the end.

Use This Knob To Mix Between The Clean Signal And The Distortion Signal (Alpha·omega Engine).


Web view and download darkglass electronics alpha omega photon owner's manual online. The alpha·omega photon will not output any audio when tuning. Selects or mixes between the two distinct distortion circuits:

A Comprehensive Design Allows Programming Each Part Of.


Web the alpha·omega ultra is the most versatile bass preamplifier we’ve designed: Web placing the iconic distortion circuit into a new paradigm to enable a range of possibilities that were never before available. With its two distinct distortion circuits (alpha and omega), extremely high dynamic range, six.

Alpha Is Punchy, Tight With A Lot Of Definition, Whereas Omega Is Simply Brutal And Raw.


Use this knob to control alpha·omega engine’s output volume. Alpha omega photon music pedal pdf manual download. Page 2 alpha • omega 200 front panel features input :

The Alpha·omega Photon Features A Five.


Web the alpha·omega φoton supports impulse response (ir) cabinet simulations and has 5 cabinet slots on board. Web the alpha·omega ultra is the most versatile bass preamplifier we’ve designed: The default irs have been selected by the darkglass team.