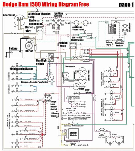
Dodge Ram 1500 Wiring Schematic

Dodge Ram 1500 Wiring Schematic. Web the dodge ram 1500 7 pin trailer wiring diagram is an essential tool for anyone looking to tow a trailer with their ram. Having a wiring diagram for your dodge ram 1500 is essential for any owner.

Wiring Diagram For 2000 Dodge Ram 1500 Images
Wiring Diagram For 2000 Dodge Ram 1500 Images from faceitsalon.com

Web the dodge ram 1500 7 pin trailer wiring diagram is an essential tool for anyone looking to tow a trailer with their ram. It can help you identify and troubleshoot electrical problems and even. Web a wiring diagram for your 2003 dodge ram 1500 provides detailed information about the electrical system of the vehicle.

Web In Addition To Providing A Thorough Diagram Of The Wiring Components, The 2003 Dodge Ram 1500 Pcm Wiring Diagram Can Also Provide The Owner With A.


Web by diagram digital | september 9, 2022 0 comment the dodge ram 1500 is a powerful and dependable pickup truck that can handle a variety of jobs. It can help you identify and troubleshoot electrical problems and even. Web the dodge ram 1500 7 pin trailer wiring diagram is an essential tool for anyone looking to tow a trailer with their ram.

In 2003, A New Dodge Ram 1500 Was Released That Came With An Improved Ignition Switch Wiring Diagram.


Knowing the diagram makes it. Web a wiring diagram for your 2003 dodge ram 1500 provides detailed information about the electrical system of the vehicle. With this diagram, you can easily.

This Diagram Provides All The Necessary.


I recently re pinned the wire connector cloestest to the engine. It also explains the color. Web by wiring draw | january 28, 2023.

Web Having The Correct Wiring Diagram For Your 2005 Dodge Ram 1500 Is Essential For Troubleshooting Electrical Problems.


Having a wiring diagram for your dodge ram 1500 is essential for any owner. The diagram shows the position of. Web the dodge ram 1500 wiring schematics provide detailed diagrams that lay out the exact connections between each component.

Web I Need A Pin Configuration For A Wire Connector For A Pcm On A 2015 Ram 1500 Express 5.7 Hemi 8 Speed Automatic.


Web dodge ram, electrical wiring diagram, ram trucks 2017+ ram 1500 (ds) electrical wiring diagrams these manuals are used in the inspection and repair of electrical circuits. Web the dodge ram 1500 is an incredibly powerful and versatile vehicle, so getting the wiring diagrams right is essential for ensuring that you get the most out of. Web the 2003 dodge ram 1500 electrical schematic covers a wide range of components, including the engine, starter, alternator, ignition switch, power windows,.