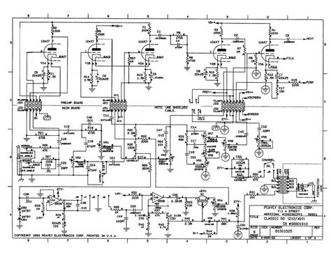
Peavey Classic 50 Schematic

Peavey Classic 50 Schematic. I've heard others mention the same about that era of c50. Web peavey classic 30 schematic with volts:

Replacing pots on a Peavey Classic 50 WeAreTheMusicMakers
Replacing pots on a Peavey Classic 50 WeAreTheMusicMakers from www.reddit.com

I've heard others mention the same about that era of c50. Help me to keep this site. Should the noise problem continue, consult your authorized peavey dealer, the peavey factory, or a qualified service technician.

Read Or Download The Pdf For Free.


I've heard others mention the same about that era of c50. This is the 7 pages manual for peavey classic 50 50 power amp schematics. Web peavey amplifier model classic 50 schematics, peavey electronic circuit diagram, classic 50 free schematics downloads > peavey schematics > peavey classic 50 with mods

Peavey Classic 50 4 92 Schematics:


Web peavey classic 30 schematic with volts: Peavey classic 50 50 power amp schematics: Web view and download peavey classic 50 operating manual online.

Classic 50 Musical Instrument Amplifier Pdf Manual Download.


Help me to keep this site with no boring. Cs 1800g professional stereo power amplifier. Cs 200x professional stereo power amplifier (french translation only) cs.

Help Me To Keep This Site.


Should the noise problem continue, consult your authorized peavey dealer, the peavey factory, or a qualified service technician. 1994) classic 50 head and i'm not crazy about the dirt channel. This is the 2 pages manual for peavey classic 50 blues classic 3 93 schematics.

Read Or Download The Pdf For Free.


Web cs 1400/2000 power amplifier owner's manual. Web peavey classic 50 blues classic 3 93 schematics. Peavey classic 30 with mods: