Pic16F877A Development Board Circuit Diagram

Pic16F877A Development Board Circuit Diagram. Simpic development board for pic16f877a microcontroller. Pic icsp in circuit serial programming.

ProPic40 Ultimate PIC16F877A Mainboard Pic Development Boards Jsumo
ProPic40 Ultimate PIC16F877A Mainboard Pic Development Boards Jsumo from www.jsumo.com

Interfacing pic microcontroller with esp8266 wifi module. How to interface buzzer with pic16f877a pic pantech prolabs india pvt ltd. Web pic16f877a microchip technology.

Pic16F877A Sample C Ir Sensor Counter Program Pic16F877A Projects Pic16F877A Connect To 16 Pin Lcd Embedded C Books In Pic16F877A.


Web 12 08 free or cheap shipping pic16f877a pic minimum system development board at m fasttech com mobile. Controlling home appliances remotely through voice command | controlling appliances is a main. Development board of pic16f877a scientific diagram.

Pic16F877A Development Board Share Project Pcbway.


Interfacing pic microcontroller with esp8266 wifi module. Simpic development board for pic16f877a microcontroller. Web lcd interfacing with pic microcontroller mplab xc8 and mikroc pro.

How To Interface Buzzer With Pic16F877A Pic Pantech Prolabs India Pvt Ltd.


Web microcontroller pic16f877a is used to drive the sensor circuit and measure the time change of the reflected echoes from the water surface received by the ultrasonic (ping). Give +12v power supply to pic16f/18f development board the pwm port line is connected in pic16f/18f development. Web testing the pwm with pic16f877a.

Pic Icsp In Circuit Serial Programming.


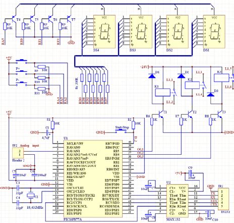
Web 16f877a development board elektronicastynus. Serial rs232 connection, sensors, servos,. Web pic16f877a development board schematic nope, i don't have the ebook for it.

Web A Useful Test Development Pic16F877 Circuit Pcb Printed Circuit Board Design Was Quite Nice Small In Size But Has A Lot Of Features.


Web #pic16f877 #microcontroller #mplab #embedded this video will show how to make a pic16f877a development board, circuit diagram in kicad, c programming in. I bought the hardcopy because i want to use the pcb. By the way, to fabricate this.