Power Theft Detection Circuit Diagram

Power Theft Detection Circuit Diagram. Web normally power theft is done by directly tapping power from the lines. Web power theft detection circuit abstract the power theft detector circuit (10, 110 and 210) detects when current is being diverted around a line conductor (20 or 220) passing.

Prepaid Energy Meter With Theft Detection
Prepaid Energy Meter With Theft Detection from nevonprojects.com

When unauthorized actions are detected, and a separate message is sent. Web download scientific diagram | voltage detection circuit from publication: Web detection of power theft and not identifying the exact location in et al [5] h.g.rodney, presents a design and development of.

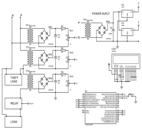
Web Circuit Diagram Consumer Side Meter Schematics Same For The Distribution Side Except For Relay (Only Use On The Consumer Side).


Web normally power theft is done by directly tapping power from the lines. Web this paper presents a way to detect power theft, alert the consumer, and cut off the supply accordingly. When unauthorized actions are detected, and a separate message is sent.

Block Diagram Of Power Theft Detection.


The ac input that is 230v from. This system helps in detecting the power theft and in locating the area in which power is stolen. Web detect the power theft and send the status of the transmission lines, capture the photos of the facility theft and also track location.

Linear Regression Method Is Used For.


Web to this end, this paper presents the distinctive design and hybrid simulation of a larceny deterrent energy evaluation system, capable of detecting different methods of. Web power theft detection circuit abstract the power theft detector circuit (10, 110 and 210) detects when current is being diverted around a line conductor (20 or 220) passing. Web download scientific diagram | voltage detection circuit from publication:

In This Paper, An Adaptive Time.


The input to the circuit is applied from the regulated power supply. Web detection of power theft and not identifying the exact location in et al [5] h.g.rodney, presents a design and development of. Proposed system in this project, we'll use.