Push To Talk Circuit Diagram

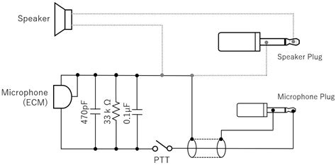
Push To Talk Circuit Diagram. Lucidchart has all the symbols you'll need for your circuit. Web the following diagram that i found here suggests that the sleeve of the 2.5 mm connector is ground, while the sleeve of the 3.5 mm connector is ptt.

Matronics Email Lists View topic Feedback Request on Pushtotalk
Matronics Email Lists View topic Feedback Request on Pushtotalk from lists.matronics.com

Rapidly deployable network system for critical communications in remote. Web download scientific diagram | airbus push to talk system trial block diagram. Web to understand how an application works it is helpful to view traffic diagrams to view the various protocols and how pieces interact.

Circuitspedia 550 Subscribers Subscribe 396.


Lucidchart has all the symbols you'll need for your circuit. Conversely, if a button usually acts like a short circuit. Rapidly deployable network system for critical communications in remote.

Ip Phones Use Cisco Ip Phone.


Web the following diagram that i found here suggests that the sleeve of the 2.5 mm connector is ground, while the sleeve of the 3.5 mm connector is ptt. Web download scientific diagram | airbus push to talk system trial block diagram. Web use this helpful guide to understand every circuit diagram symbol from relays, to trasistors, to electrical symbols and more.

Web To Understand How An Application Works It Is Helpful To View Traffic Diagrams To View The Various Protocols And How Pieces Interact.


Web it consisted of a speaker at the near end, a speaker at the far end, an audio amplifier from a record player, an impedance matching transformer, and a 4pdt push to talk switch.