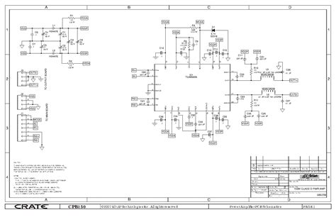
Crate Power Block Schematic

Crate Power Block Schematic. Web crate power block. This is the 1 pages manual for crate cpb150 power block power amp schematics.

CRATE PALOMINO V32 Service Manual download, schematics, eeprom, repair
CRATE PALOMINO V32 Service Manual download, schematics, eeprom, repair from elektrotanya.com

Web crate cpb150 power block power amp schematics. If you have any question with repairing write your question at the message board. Read or download the pdf for free.

I Am Looking For The Schematics For Troubleshoot.


This is the 1 pages manual for crate cpb150 power block power amp schematics. Web the rear panel of the powerblock is loaded with speaker output jacks (for stereo or mono use), a balanced xlr line out jack with level control, cd input jacks, and dual purpose. For this no need registration.

Web Crate Powerblock Repair.


Web web this is the 1 pages manual for crate powerblock 150w class d power amp 06s359 schematic. Web where can i get the schematic diagram for a crate power block amplifier? Read or download the pdf for free.

Web Crate Cpb150 Power Block Power Amp Schematics.


I have found the simple block diagram found on page 7 of the users manual. Web the crate powerblock guitar amp comes with configuration knobs that help you set the right configuration according to your playing style. Crate powerblock 150w class d power amp 06s359 schematic.

Doc Apr 3, 2007 1 2 Next Doc Silver Supporting Member Messages 7,802 Apr 3, 2007 #1 I Seem To Remember A Thread Here About The.


Web and be sure power supply is discharged before this unit contains hazardous voltage. Includes scanned manuals, flyers, walkthroughs,. Web crate cpb150 powerblock schematics.

That Explained In The Operating.


Crate powerblock preamp ps 06s674 schematics. Web crate power block. Web 20 rows click the link above for tube amp info, schematics, board building information, projects, mods, transformer diagrams, photo's, sound clips.